OVERVIEW OF LE BÂTIMENT PLISSON PROJECT
LE BÂTIMENT PLISSON is a medium-scale construction project that demands high technical requirements for structural solutions, particularly in the basement and slab areas. In this project, LPC fully undertook the tasks of calculation, proposing solutions, and deploying structural construction, ensuring the project meets criteria for safety, efficiency, cost optimization, and suitability for actual construction conditions.

3D Model of Le Bâtiment Plisson
The project is designed with a modern approach, combining cast-in-place concrete structures with precast concrete components to shorten construction time and enhance synchronous quality.
SCALE AND FLOOR PLAN
- • Construction scale:
- 01 Basement
- 02 Upper floors
- • Total floor area: approximately 450 m²

Total floor plan of Le Bâtiment Plisson
With a modest area but including a basement, the project imposes high requirements for foundation solutions, retaining walls, and construction organization within a limited space.
LPC'S MISSION IN THE PROJECT
In the LE BÂTIMENT PLISSON project, LPC was responsible for the following main items:
- • Overall structural calculation for the entire building
- • Proposing structural solutions suitable for geological conditions and construction space
- • Deploying structural construction solutions, coordinating precast components and cast-in-place concrete
- • Controlling temporary solutions during the basement construction phase
LPC's approach focuses on technical optimization, reducing construction risks, and ensuring the long-term stability of the building.
KEY STRUCTURAL FEATURES OF THE PROJECT
1. Slab structure on elastic foundation
The project uses a slab structure on an elastic foundation, helping to:
- • Distribute loads evenly to the ground
- • Reduce stress concentration
- • Limit uneven settlement
- • Suit geological conditions and project scale

Typical cross-section of Le Bâtiment Plisson
This solution is particularly effective for buildings with basements and moderate floor areas.
2. Precast beam system combined with cast-in-place concrete slab
One of the key technical points of the project is the combination of precast concrete beams with cast-in-place concrete slabs, bringing many benefits:
- • Shorten structural construction time
- • Ensure component quality due to production in controlled conditions
- • Increase flexibility in construction organization
- • Ensure simultaneous interaction between beams and slabs

Calculation model using Robot
LPC calculated connections in detail to ensure load-bearing capacity, rigidity, and long-term durability of the structural system.
3. Cast-in-place concrete basement wall system, constructed in phases
The basement wall system is constructed using cast-in-place concrete, applying a phased pouring method. During the construction phase, the walls are:
- • Temporarily supported by a strut system
- • Controlled for displacement and stability of excavation walls
- • Ensured safety for the project and surrounding area

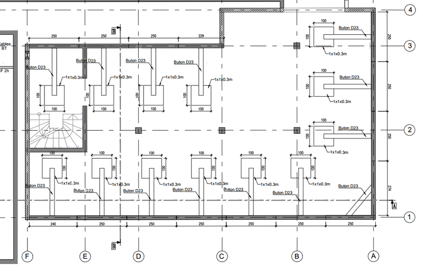
Basement floor plan of Le Bâtiment Plisson
This solution helps the project pass through the basement construction phase safely, controlling deformation and soil pressure effectively.
4. Precast concrete walls for upper floors
For the upper floors, the project uses precast concrete walls, bringing advantages:
- • Fast construction, reduced weather dependence
- • Stable surface quality and dimensions
- • Reduced labor on site
- • Suitability for the overall project schedule
The flexible combination of cast-in-place walls in the basement and precast walls on the upper floors demonstrates LPC's effective and practical technical approach.
TECHNICAL VALUE LPC BRINGS TO THE PROJECT
Through the LE BÂTIMENT PLISSON project, LPC has affirmed its capability in:
- • Effectively handling basement construction in limited space conditions
- • Successfully combining multiple different structural solutions in a single project
- • Optimizing construction solutions to ensure schedule, safety, and economic efficiency
- • Accompanying the investor from calculation to actual implementation
CONCLUSION
The LE BÂTIMENT PLISSON project is a typical example of LPC's capacity in the field of consulting, calculation, and deployment of building structures. With suitable, flexible, and highly practical technical solutions, LPC has contributed to ensuring the project achieves sustainable quality, safety, and efficiency in construction.